Very useful, space saving stuff!
The P S D R system is a game changer and an essential part of kit for your kitchen Spraying
Company and the added accessories IE the 2T system and the wave hangers save so much time and I think you get a much better finish than Spraying them flat. I recommend them to anyone Spraying kitchens. I’ve been using them for my company for three years.And have 2 sets
I loved this add-on. It helps me hang more doors in the same amount of space. It also stabilized the system and helped it from being wallaby.Thanks you paint line.
Blessings
Danny
Advanced Painting
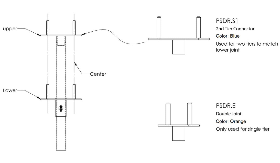
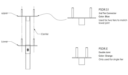
Added the extra tier and is totally worth it. Keeps everything in a nice clean area.
We love these as now we can use our racks a little more efficiently by having 2-3 levels. I will end up buying more of these!
